SENT Trigger and Decode (Software Option) for SDS7000A Series

Features

  • Optional add-on, sold separately
  • Enables SENT trigger & decode

Overview

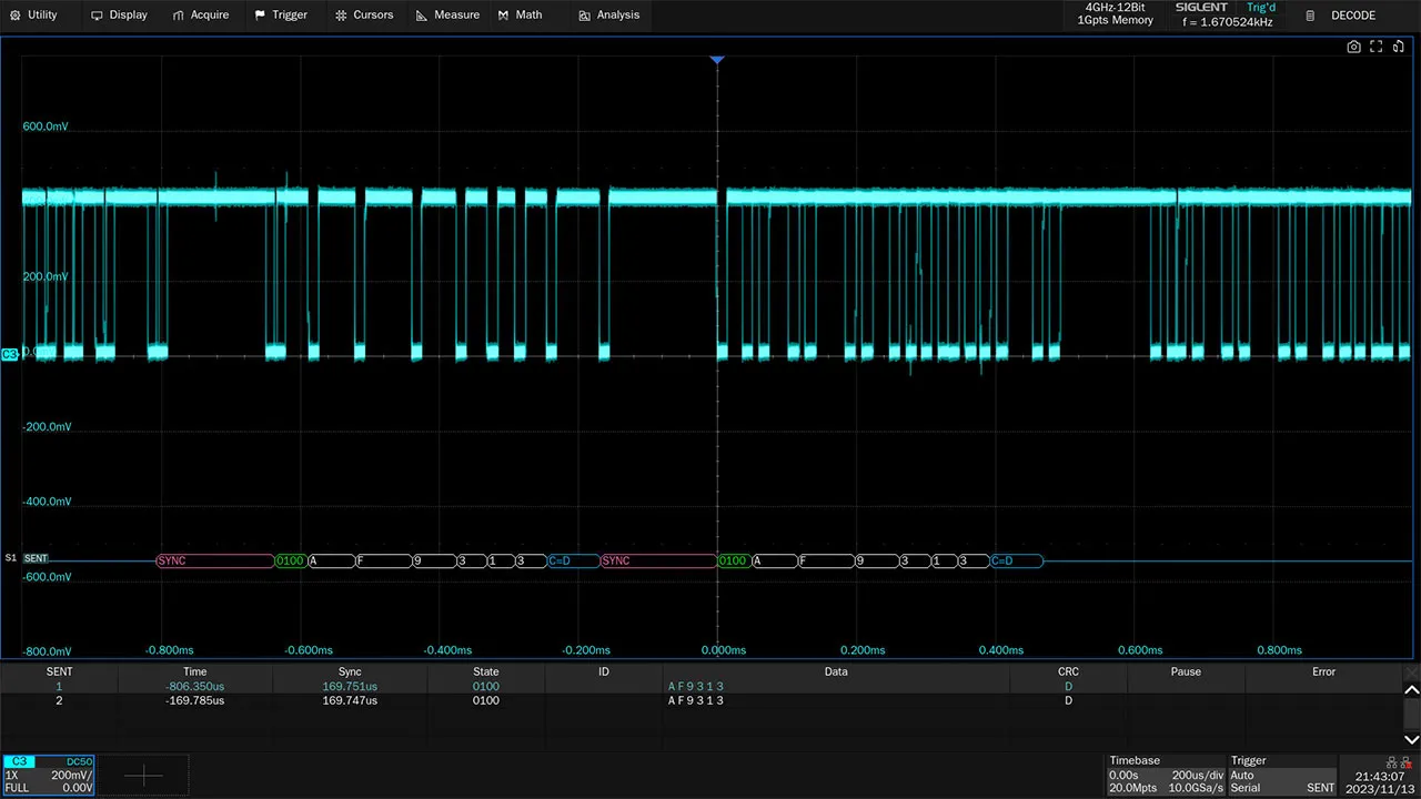
This option enables SENT trigger and decode on your SDS7000A series oscilloscope. Type supported is Start, Slow channel, Fast channel, Error.

Product Identification

Additional Feature:Sent Trigger and Decode, SDS7000A Series
Product Type:Feature Upgrade

Compliance

RoHS Status:Undefined
,