Search products
Wishlist
Login
...
Products
Manufacturers
DIY Workshops
Home page
60-Test, Tools & Supplies
6040-Test & Measurement
604080-Signal Generators/Analyzers
ACCY,SOFTWARE,Gain compression measurement (SW)
Product description
ACCY,SOFTWARE,Gain compression measurement (SW)
Product Identification
Additional Feature:
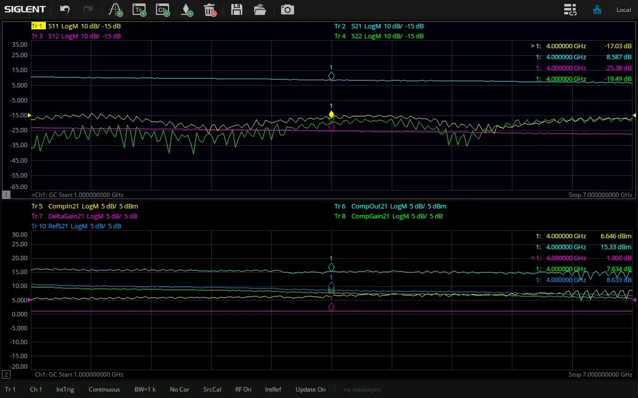
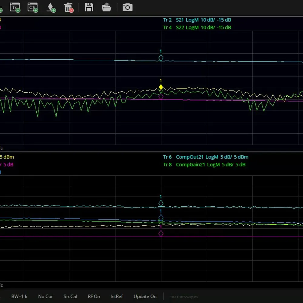
Gain Compression Measurement, For SNA5000
Product Type:
Upgrade Option
Compliance
RoHS Status:
ROHS Compliant