480/277 VAC 3-Phase 4W+G Wye DIN Rail Surge Protection Device Multi-MOV+GSG 320V MCOV 75kA IMAX
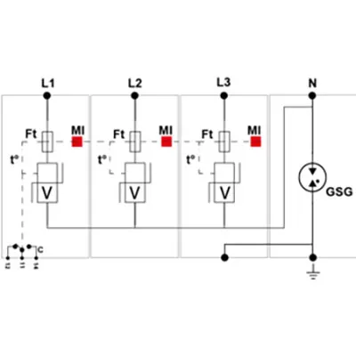
This surge protection device (SPD) designed for 480 or 277 VAC 3-phase AC Power circuits and uses Multi-MOV + GSG technology. It features 75kA surge current rating per module and is UL1449 Type 1 listed. It has a visual fault indicator, remote contacts, and comes with a 10-year warranty.Specifications
- Power SPD Type: UL1449 Type 1 Listed
- Volts: 480/277 V
- AC voltage systems
- Phase: 3Y
- Amps: n/a
- Ambient Temperature: -40°C to +85°C
- Modes: L-L, L-N, L-G, N-G
- VPR: (V): 2500 / 1500 / 1500 / 1000
- MCOV: (V): 840 / 420 / 420 / 320
- IN: (kA): 20
- SCCR: (kA): 200
- IMAX: (kA): 75
- Relative Humidity: 95%
- Technology: Multi-MOV + GSG
- Network Configuration: 3PH, 4W+G, Wye
- Connection Method: Screw Terminal (8 to 12 AWG)
- Mounting: DIN RAIL
- Material: Thermoplastic UL94-V0
- NEMA Rating (IP Rating): NEMA 2 (IP20)
- Fail-Safe Behavior: Disconnection via fuse-link
- Real-Time Diagnostics: Visual indicator and remote contacts
- UL Standard: UL 1449 5th Edition
- UL Category: VZCA, VZCA7
- UL File Number: E326289
- Standards: NOM-003-SCFI-2014, NOM-001-SCFI-1993

Compliance
Agency Approvals:UL1449 Type 1
Dimensions & Appearance
Depth:67 mm
Width:72 mm
Height:90 mm
Mounting Type:DIN Rail
Input
Input Voltage:277 VAC, 480 VAC
Features
Failsafe Protection:Yes
Short Circuit Protection:200 kA
IP Rating:IP20
Technology:Multi-MOV + GSG
Surge Current Rating:75 kA
Protection Style:L-L, L-N, L-G, N-G
Application:277/480VAC 3-Phase 4W+G Wye
Maximum Clamping Voltage:2500 / 1500 / 1500 / 1000
Voltage Rating:320 VAC
Current Rating:N/A