240/120 VAC 3-Phase 4W+G Wye DIN Rail Surge Protection Device MOV+GSG 150V MCOV 40kA IMAX
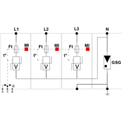
This surge protection device (SPD) designed for 240 or 120 VAC 3-phase AC Power circuits and uses MOV + GSG technology. It features 40kA surge current rating per module and is UL1449 Type 4CA listed. It has a visual fault indicator, remote contacts, and comes with a 10-year warranty.Specifications
- Protection Mode(s): Common Mode or Differential Mode
- Power SPD Type: UL1449 Type 4CA
- Volts: 240/120 V
- AC voltage systems
- Phase: 3Y
- Amps: n/a
- Ambient Temperature: -40°C to +60°C
- Modes: L-L, L-N, L-G, N-G
- VPR (V): 1700 / 1040 / 1690 / 1090
- MCOV (V): 300 / 150 / 150 / 255
- IN: 20 kA
- SCCR: (kA): N/A
- IMAX: 40 kA
- limp: 4 kA
- Technology: MOV+GSG
- Network Configuration: 3PH, 4W+G, Wye
- Connection Method: Screw Terminal (8 to 12 AWG)
- Mounting: DIN RAIL
- Material: Thermoplastic UL94-V0
- NEMA Rating (IP Rating): NEMA 2 (IP20)
- Fail-Safe Behavior: Disconnection via fuse-link
- Real-Time Diagnostics: Visual indicator and remote contacts
- Spare Part: DSM40-120, DSM40G-600
- UL Standard: UL 1449 5th Edition
- UL Category: VZCA2, VZCA8
- UL File Number: E326289
- Standards: NOM-003-SCFI-2014, NOM-001-SCFI-1993

Compliance
Agency Approvals:UL1449 4CA
Dimensions & Appearance
Mounting Type:DIN Rail
Depth:60.80 mm
Width:72 mm
Height:90 mm
Input
Input Voltage:120 VAC, 240 VAC
Features
Failsafe Protection:Yes
Short Circuit Protection:N/A
IP Rating:IP20
Surge Current Rating:40 kA
Technology:MOV + GSG
Protection Style:Common Mode, Differential Mode, L-L, L-N, L-G, N-G
Application:120/240VAC 3-Phase+N
Maximum Clamping Voltage:1700 / 1040 / 1690 / 1090
Voltage Rating:150 VAC
Current Rating:N/A